Vai al contenuto
Chi Siamo
Contatti
Notizie
Galleria
Ecosostenibilità
Cerca
Avvolgibili
Cassette
Ferramenta
Rotelle
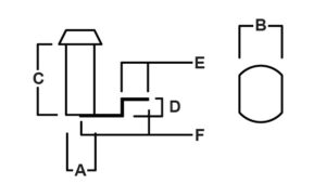
2500YA – Cilindro tipo A
Cassette
Cylinder type A
Codice Articolo
A
B
C
D
E
F
Pezzi
2500YA
17,5
16
15
14
13
29
10
SCHEDA TECNICA